Подогреватель автоматизированный жидкостный АПЖ-30Д-24-GP-ABT
Описание
Подогреватель автоматизированный жидкостный АПЖ-30Д-24-GP-ABT
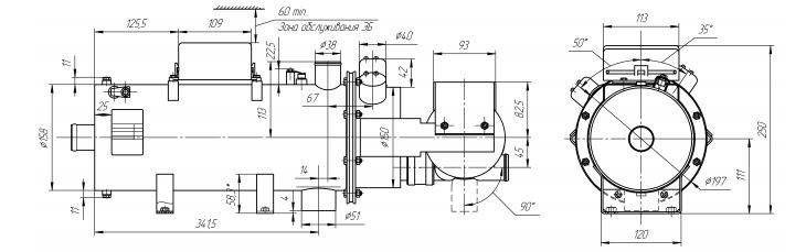
АВТОМАТИЗИРОВАННЫЙ ПОДОГРЕВАТЕЛЬ АПЖ-30Д-24-АВТ, работает независимо от двигателя.
АПЖ-30Д-24-АВТ, мы рекомендуем для прогрева, до рабочей температуры двигателя с объёмом охлаждающей жидкости от 60 литров, не запуская сам двигатель.
Технические характеристики:
Мощность ............................................................................................минимум ............максимум
Теплопроизводительность, кВт...........................................................7 ........................30
Расход топлива, л/час ........................................................................ 0,75....................3,7
Рабочее напряжение питания, В ........................................................ 20 ......................30
Потребляемая мощность подогревателя,
на установившемся режиме совместно с электронасосом, Вт...... 116..................... 336
Номинальное напряжение питания, В.........................................
АВТОМАТИЗИРОВАННЫЙ ПОДОГРЕВАТЕЛЬ АПЖ-30Д-24-АВТ, работает независимо от двигателя.
АПЖ-30Д-24-АВТ, мы рекомендуем для прогрева, до рабочей температуры двигателя с объёмом охлаждающей жидкости от 60 литров, не запуская сам двигатель.
Технические характеристики:
Мощность ............................................................................................минимум ............максимум
Теплопроизводительность, кВт...........................................................7 ........................30
Расход топлива, л/час ........................................................................ 0,75....................3,7
Рабочее напряжение питания, В ........................................................ 20 ......................30
Потребляемая мощность подогревателя,
на установившемся режиме совместно с электронасосом, Вт...... 116..................... 336
Номинальное напряжение питания, В.........................................







